Vuokrataan toimistotilat, varastotilat - Helsinki
Valokaari 10, Suutarila, 00750 Helsinki #10838032
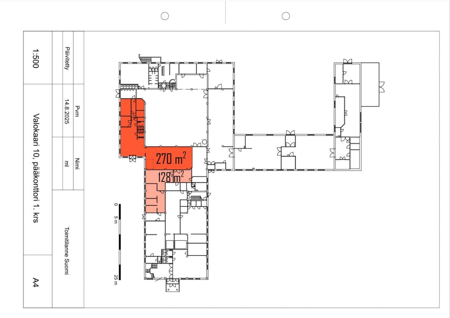
Vuokrataan Helsingin Suutarilasta katutason 270 m² toimisto-/varastotila pääkonttori rakennuksesta.
Toimistotilassa on erillisiä työ- ja neuvotteluhuoneita sekä avointa tilaa, hyvä keittiö ja kunnon wc-tilat. Varastotilan nosto-oven mitat L 3 m x K 2,5 m.
Kysy rohkeasti lisätietoja ja sovitaan käynti kohteella jo tänään!
Osoite
Valokaari 10, 00750 Helsinki
Tilatyyppi
Toimistotilaa
270 m2
Varastotilaa
270 m2
Yhteensä
270 m2
Kiinteistö
Valokaari 10
Vapautuu
Kysy
Ota yhteyttä
Hausala Oy
Erkkilänkatu 11, 33100 Tampere
Näytä puhelinnumero
050 472 7077
Matti Pöyhiä
Näytä puhelinnumero
040 722 6650
Mika Savikko
Näytä puhelinnumero
050 472 7077
Pyydä lisätietoa
