Vuokrataan tuotantotilat, muut tilat - Helsinki
Kivihaantie 7, Kivihaka, 00310 Helsinki #10816075
Rakennuksen kuvaus:
Tämä laadukasta laboratorio- ja toimistotilaa tarjoava kiinteistö on ollut alunperin SPR:n verenluovutuskeskus. Verenluovutuskeskuksen toiminta tiloissa päättyy 2023 ja tilat vapautuvat uusille käyttäjille. Kiinteistö on rakennettu kahdessa osassa, joista ensimmäinen 1971 ja Hämeenlinnanväylän kupeessa hyvin liikenneyhteyksin. Kiinteistössä on noin 16000m2 tilaa, joista alle 4000m2 laboratoriokäyttöön soveltuvia tiloja ja 3300m2 varastoja.
Tilan kuvaus:
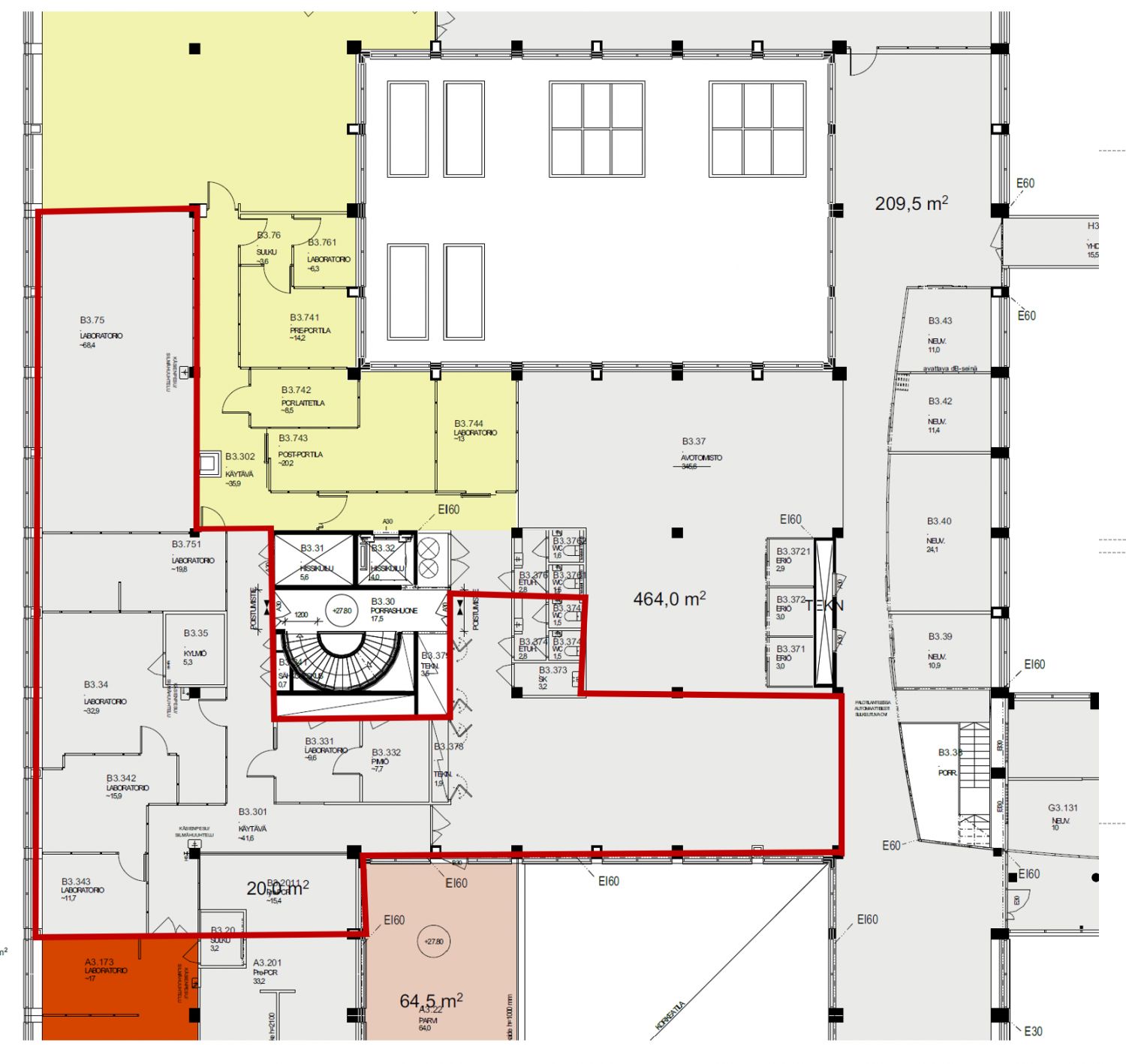
Vuokrattavissa kolmannen kerroksen laboratoriotilaa. Tilassa on useampia vesipisteitä ja ilmapoistoja. Pohjakuvassa punaisella rajattu alue sisältää noin 150 m2 laboratioriotilaa ja 1o0 m2 toimistoa. Toimistoa vuokrattavissa tarpeen mukaan, aina 2000 m2 saakka. Lisäksi kohteessa saatavissa pakaste- ja kylmätiloja sekä hieman varastoa.
Kerros: 3
